Hello All!
I am in the process of repairing an 1150 Ribbon Controller and have not had any luck finding a schematic.
Would anyone happen to have a copy that they would be willing to email?
Thanks!
Dave C
…now off to find 8 pin Cinch plugs
Hello All!
I am in the process of repairing an 1150 Ribbon Controller and have not had any luck finding a schematic.
Would anyone happen to have a copy that they would be willing to email?
Thanks!
Dave C
…now off to find 8 pin Cinch plugs
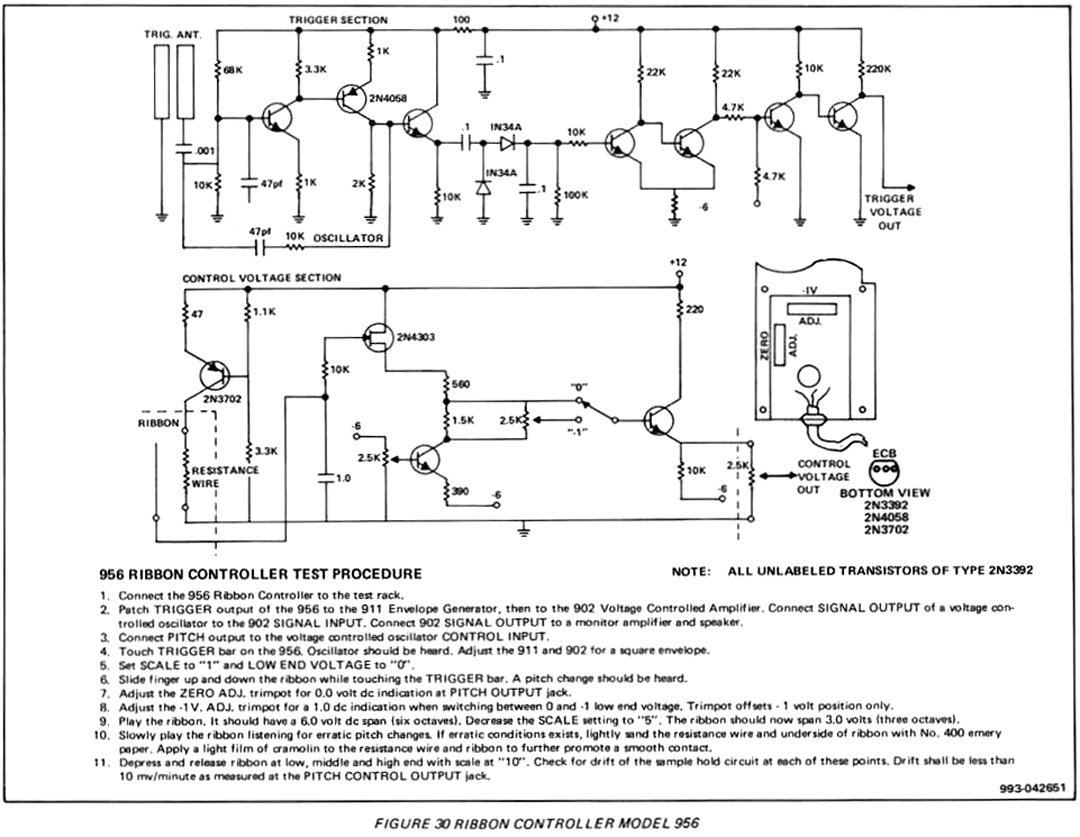
I’m still looking for the 1150, but here’s the 956..

Not sure where I found this PDF, but I included it in the Moog Accessory Operation manual I scaned here:
Moog Accessory Operation Manual and Service Manual 7 MEG Download
I have a vintage ARP footswitch - looks just like the Moog one.
No it ain’t for sale. OK, I might give it up for 5,000,000 moog bucks ![]()
Thanks Kevin & CZ!!
CZ, the service manual will be a big help.
BTW, the foot pedal is nice but I do covet your 1P.
Had a Model 10 that I lost to hard financial times years ago.
Thanks again!
Dave
Let’s see, 5,000,000x300=1,500,000,000 for a friggin’ footswitch?! ![]()